BIMソフトのRevitを触り始めたものの、どこから覚えればいいのかわからないとお悩みではないでしょうか。導入したばかりの初心者の場合、基本操作がわからず、業務活用への最初の一歩を踏み出せない人も少なくないでしょう。
そこでこの記事では、初心者が最初に覚えたいRevitの基本操作を設定・図面作成・管理という3つのポイントに分けて紹介します。独学にも役立つポイントですので、基本操作をマスターするための参考にしてください。
Revitの基本操作は「2つの流れ」で理解すると早い
Revitの基本操作は、最初に「画面・設定を理解する流れ」と「モデルを作る流れ」の2つをイメージできるようになることが重要です。
多くの初心者は、Revit特有の考え方や基本操作の理解をしないまま、いきなり壁や床を描こうとするせいで混乱し、挫折してしまいます。そこでまずは、Revitの基本操作に関わる全体の流れを紹介します。
プロジェクト開始と画面構成を理解する

Revitの基本操作で最初に理解すべきなのが、Revitそのものの画面のつくりです。
当ソフトは上の画像のように2つの段階に分かれており、起動時の設定により、その後のプロジェクト操作が変化します。Revit起動後の基本操作の流れを整理しました。
- 「ホーム画面」で新規作成(モデル・ファミリ)や既存図面を開くか選ぶ
- 「プロジェクト画面」で作図や修正を行う
たとえばホーム画面では、Revitで「どの図面を使うか」「どの業種向けの機能を使うか」を決める段階です。この選択により、次に開く「プロジェクト画面」のコマンドや設定などが変化します。そのため初心者は、操作の基本として起動時の流れを正しく理解することが重要です。
作図は「基準→モデリング」の順で進める
Revitでは基本、いきなり壁や床を配置するのではなく、「基準を作ってからモデルを配置する」のが正しい手順です。具体的な流れを以下にまとめました。
- レベル(階高)を設定する
- 通り芯で建物形状の基準を決める
- 基準に沿ってモデリングを行う
いきなり壁などのモデルを配置すると、寸法や座標がズレてしまいます。
モデリング時の修正や手戻りをなくすためにも、上記の流れで作業すると理解しておきましょう。
Revitの基本操作の前に、BIMソフトとしてのRevitの役割を詳しく知りたい方は、以下の記事もチェックしてみてください。
初心者が覚えたいRevitの基本操作3選(設定編)
Revit初心者は、最初に設定に関する基本操作を覚える必要があります。
ここでは、起動時に表示されるホーム画面に関する設定を解説します。
ホーム画面の構成

Revitを起動すると、まずホーム画面が表示されます。
この画面の役割は、以下の2項目に分かれており、どのような方法で図面を操作するかを選択することです。
- 左側は「新規図面か既存図面の操作かを選択する項目」
- 右側は「既存図面の操作を選択する項目」
基本操作も非常にシンプルで、実行したい項目を左クリックで選択するだけです。
新たにプロジェクトを立ち上げる場合は「新規作成」、すでにプロジェクトが用意されている場合は「開く」もしくは画面右側の「最近」と書かれた項目から選択しましょう。
モデルとファミリの違い

ホーム画面には「モデル」「ファミリ」という2つの項目が設けられています。
以下に2つの違いを整理しました。
- モデルは「建築物・構造物などの3Dモデルを作成する」
- ファミリは「家具などのオブジェクトを作成する」
そして、Revitの基本操作として覚えておきたいのが、「モデル」をベースに設計を進めていくことです。ファミリは、Revitに新しく窓・ドア・家具・設備機器などのオブジェクトを登録したい場合などに利用します。(メーカー規格の取り込みなど)
テンプレートの役割と選び方

Revitで「モデル>新規作成」を選択すると、最初にテンプレートの選択画面が表示されます。
このとき、基本操作として注意したいのが、業種に合わせてテンプレートを選ぶことです。
たとえば、建設テンプレートを選択すると、ビュー表示が土木系に特化した項目になります。

これに対し、建築テンプレートだと、基礎などが含まれていないビュー表示に変わります。

このように、基本操作ひとつでプロジェクトの表示や設定が変化するため、誤ったテンプレートを選択すると、手動で設定しなければなりません。ホーム画面は、その後の作業を大きく変える項目ですので、確実に基本操作を理解しておきましょう。
初心者が覚えたいRevitの基本操作5選(図面作成編)
ここからは、ホーム画面で建築テンプレートを選択し、プロジェクトをスタートする段階における「図面作成」の基本操作を紹介します。
BIMソフトのRevitは、基本操作がCADソフトと異なるため、初心者の多くは図面作成の段階でつまずきます。ここでは初心者が押さえておきたい基本操作についてわかりやすく解説します。
プロジェクト画面の構成と基本操作

Revitのプロジェクト画面は、以下の4項目で構成されています。
- 3Dモデルを作図する「ワークスペース」
- コマンドがまとまっている「ツールバー」
- オブジェクトの情報がまとまっている「プロパティ」
- 資料や数値情報、ビューがまとまっている「プロジェクトブラウザ」
ワークスペースで図面を作成するのが基本ですが、新たにオブジェクトを追加したい場合はツールバーを操作する、画面の表示を2D・3Dなどで切り替えるためにはプロジェクトブラウザを操作するなど、各項目の役割を理解しなければRevitを操作できません。
まずは、どこにどの項目が配置されているのかをインプットしましょう。
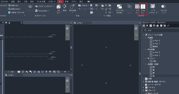
表示画面の切り替え(平面図・立面図・3Dビュー)

Revitのなかでもよく利用するのが、表示画面の切り替えです。
基本的に3Dモデリングを行うと思われがちなRevitですが、実際には2D図面における基準設定などの操作が欠かせません。
上の画像のプロジェクトブラウザにある「ビュー」に項目が設けられており、ダブルクリックでビューが表示されます。たとえば、立面図の「北」をクリックすると、次のような画面が表示されます。

「表示>ウィンドウ>タイルビュー」をクリックすれば、複数の画面を表示して作業することも可能です。

Revitを作業しやすくする基本操作であるため、まずは気になる項目のビューをダブルクリックしてみてください。
モデルの作図(壁・床・屋根の基本)

Revitで実際に図面を作成する際には、「通り芯を描く→オブジェクトを挿入する」という流れで操作するのが基本です。
通り芯とは、壁などが通る下線を描く機能のことであり、寸法ミスやズレが起きないようにする下描きです。交差した通り芯を準備しておけば、以下のように通り芯に沿って挿入するだけで形状が決まります。

特に建築物の場合、あらかじめ寸法などを決めてから内部の構造を考えるケースが多いため、交差する通り芯を1,000mmピッチで用意するだけでも、設計や操作の効率が高まります。
モデルの設定変更(プロパティ操作)

建築物をモデリングする際、細かな形状の調整を加えたい場合には、プロパティの基本操作を覚えることが重要です。プロパティには以下のように複数の項目がまとまっています。
- モデルタイプを変更
- 基準線の位置を変更
- 壁の高さ条件を変更
- 壁の断面のつくりを変更
たとえば、モデルタイプの項目をクリックすると、以下のように複数の壁モデルが表示されます。

この壁モデルを変更すると、ワークスペースで選択していた壁モデルの形状が変更されます。
なお、このモデルはホーム画面の「ファミリ」から新しく作成し、登録することも可能です。
座標の設定(配置図・基準位置の考え方)

Revitでは、3DモデルをXYZの座標で管理することがほとんどです。
このとき、Revit初心者が覚えておきたい基本操作が、座標の設定方法になります。
座標設定は「表示>プロジェクトの位置」にコマンドがあり、任意のポイントに対する座標設定を行えます。以下に、基本操作の流れをまとめました。
- コマンドを選択する
- 座標を指定したいオブジェクトを選択する
- ポップアップに座標情報を入力する
座標を設定しないまま設計をすると、現況地形とのズレや、地形データとの重ね合わせ時のミスが起きる場合もあるため、初心者が覚えたい基本操作のひとつです。
初心者が覚えるべきRevit基本操作2選(管理編)
Revitは3Dモデルを作成するまでだけではなく、図面作成後の管理に関する基本操作を理解することも重要です。
以下では、BIMソフトならではの属性情報の管理やシミュレーションに関する基本操作について紹介します。
数量管理の自動

RevitなどのBIMソフトでは、3Dモデルだけでなく各モデルの属性情報(材料・強度・数量)なども管理できます。このとき、設計業務で頻出するのが数量管理の基本操作です。
たとえば、「解析>レポートおよび集計表」のコマンドをクリックすると、特定のカテゴリにおける数量表を自動出力できます。

Revitは、ひとつの変更がモデル全体に反映されるパラメトリックデザインが採用されているため、出力した数量は、変更に合わせて自動で再計算されます。モデリングの基本操作を理解したら、ぜひ数量表の作成にもチャレンジしてみてください。
シミュレーション(構造解析・省エネ解析など)

Revitの解析タブには、モデルの解析機能が搭載されています。
例として、上の画像の赤枠は、構造物の強度や耐久性をチェックできる構造解析、そして建物で使用するエネルギー量を分析できる省エネ解析などを実施できます。
ほかにも、拡張機能でアドインなど追加し、さらなるシミュレーションを実行することも可能です。分析などを外部委託せず、設計業務をワンストップで対応したい場合は、シミュレーションの基本操作も学習しましょう。
Revit初心者が基本操作を独学する流れ
Revitは独学でも習得できますが、「学ぶ順番」を間違えると挫折する可能性が高いBIMソフトです。参考として、独学で基本操作を覚える場合は、以下の流れを意識すると学習の遠回りを防げます。
- Revitの画面構成と考え方を理解する
- 基本操作を限定して覚える
- 簡単な図面作成まで手を動かす
特に初心者の場合、操作を断片的に覚えるのではなく、公式情報や参考書などを活用しながら、「全体像の理解→基本操作の理解→図面作成へのチャレンジ」という流れで学習することが重要です。
また、疑問の解決などの際には、学習サイトや動画配信コンテンツなども活用できます。
公式マニュアル・チュートリアルの正しい使い方
Revitを独学するうえで最も信頼できるのが、Autodesk公式のマニュアルと基本操作のチュートリアルです。実際、Autodeskのコンテンツライブラリでは、次のような学習コンテンツが無料提供されています。
- 意匠設計
- 構造設計
- 設備設計
- 施工
- 木材在来設計
ただし、公式資料は辞書のように使うのがポイントです。
最初からすべてを読もうとすると情報量が多く、かえって混乱しやすくなります。
そのため、まずは「画面構成」「基本概念」だけを確認し、操作方法は「必要になったタイミング」で調べるという流れで学習を進めるのがおすすめです。
また、チュートリアルを進める際には、動画を見るだけで終わらせず、必ず手を動かすようにすることで、Revitの基本操作の習得を早められます。
Revitの基本操作を学べるテキストをお探しなら、以下の記事もチェックしてみてください。
独学でつまずく人の共通パターン
Revitを独学していて途中で手が止まってしまう人には、以下の共通点があります。
| つまずくパターン | 改善方法 |
|---|---|
| いきなり複雑な建物をつくろうとする | まずは簡単な平面・箱型モデルで操作を理解する |
| 操作を丸暗記しようとする | 操作の「目的」と「結果」を意識して理解する |
| エラーの理由を調べず進める | プロパティやビュー設定を必ず確認する |
Revitは「線を描くソフト」ではなく、情報を持った部材を組み立てるBIMソフトです。
ひとつのモデルの作成には膨大な時間がかかるため、小さなモデルを完成させる成功体験を積み重ねながら独学を進めましょう。
Revitの基本操作に挫折したならセミナー講習がおすすめ

Revitの基本操作の学習に挫折してしまった場合は、短時間のセミナー講習を活用するのが効率的です。セミナー講習の価値を以下にまとめました。
- 基本操作の順番を理解できる
- なぜその操作をするのかわかる
- 実務ではどこまで使えば十分か判断できる
たとえば以下のセミナー講習では、Revitの基本操作や実務での使い方を体系的に学べます。
初心者がつまずきやすいポイントを熟知したプロ講師が、基本操作のアドバイスをくれるため、挫折して動けずにいるとお悩みの方は、参加を検討してみてください。
| セミナー名 | BIM・建築 3DCAD Revitセミナー講習 |
|---|---|
| 運営元 | GETT Proskill(ゲット プロスキル) |
| 価格(税込) | 45,100円〜 |
| 開催期間 | 2日間 |
| 受講形式 | 対面(東京・名古屋・大阪)・ライブウェビナー・eラーニング |
Revitの基本操作についてよくある質問
ここまで紹介してきたRevitの基本操作について、よくある質問をFAQ形式で回答します。
Revitの基本操作についてまとめ
Revitの基本操作は、やみくもに機能を覚えるのではなく、画面構成と基準を理解し、必要な操作から順に身につけることが重要です。
本記事で紹介したように、設定→図面作成→管理という流れを意識すれば、独学でも無理なく習得できます。もし基本操作の学習に途中でつまずいた場合は、セミナー講習の受講を検討してみてください。